Langsung ke konten utama

[46+] R S T Wiring Diagram, Ignition Coil Wiring Diagram Flame Thrower 3

R-s-t Wiring Diagram Ignition Solenoid Thermostat Honeywell Tonetastic Volovets Td42 Alternator

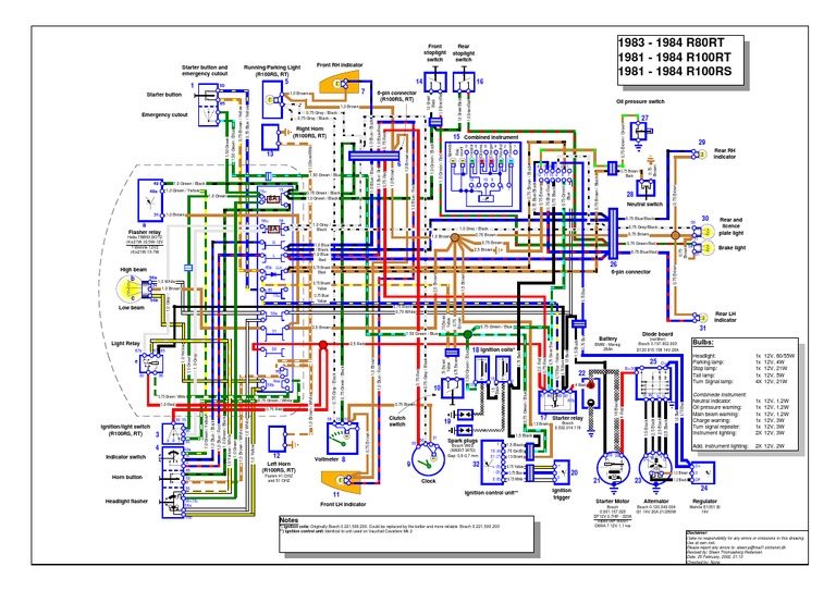
Wiring diagram r100rs

Isuzu schematic imageservice cbb61. 20 perfect wiring a switched outlet in series ideas. Wiring diagrams. Fisher plow 4 port isolation module wiring diagram

Electrical Wire Color Code South Africa Professional Nissan Frontier

Electrical Wire Color Code South Africa Professional Nissan Frontier

Wiring For 12 String Guitar Jack Wiring - Shergold Guitars - Models

Wiring For 12 String Guitar Jack Wiring - Shergold Guitars - Models

Ignition Coil Wiring Diagram Flame Thrower 3

Ignition Coil Wiring Diagram Flame Thrower 3

Wiring Diagrams - Album on Imgur

Wiring Diagrams - Album on Imgur

16 Brilliant Myson Thermostat Wiring Diagram Images - Tone Tastic

16 Brilliant Myson Thermostat Wiring Diagram Images - Tone Tastic

Komentar

Postingan populer dari blog ini

[41+] Espace Extérieur Sérénité - Pin su Dessin..

Get 20: Landscape Lighting Around Inground Pool

Fiberglass pool installation is only slightly more expensive than vinyl lined pools at 20000 to 40000 but less than concrete. Patio decor accessories. Andmakers Line Voltage Black Led Landscape Light Kit With Transformer 16 Pack Laying a walkway costs 8 to 20 per square foot on average. Landscape lighting around inground pool . The curved line of the pool is barely noticeable and blends into the ocean beyond. Pool installation costs 17000 to 45000. Offers two living areas formal dining split floor plan updated kitchen and upstairs finished storage or perfect office area. Add a tanning ledge. Inground pool cover price guide. Running electricity to a freestanding enclosure costs 500 to 1500 more. Most homeowners report spending an average between 20451 and 38196 but costs can get as high as 75000 depending on size shape and house location. Gli pool liners are normally shipped out within 3 5 business days of orde...

[Download 18+] Antenna Wireless Internet Service Provider

View Images Library Photos and Pictures. Long Range WiFi Signal Receiver + Antenna + Router Kit Small WISPs handed a tougher business case by FCC spectrum decision – Steve Blum's Blog Wireless Internet Service Providers and Net Neutrality: it's Complicated – Microwave Product Digest Whiz to Coho Inc. - Friendly Internet Service Provider in Hillsboro Oregon and Surrounding area.